





หน้าแปลนคอเชื่อมยาวเป็นองค์ประกอบพิเศษในระบบท่อซึ่งโดดเด่นด้วยคอหรือฮับขยาย หน้าแปลนคอที่มีรอยเชื่อมมีฮับเรียวยาวที่ลดขนาดจากท่อไปจนถึงการติดตั้ง การออกแบบนี้ช่วยลดความเข้มข้นของความเครียดทำให้เหมาะสำหรับการใช้งานที่มีแรงดันสูงและอุณหภูมิสูง คอขยายเสริมหน้าแปลนส่งเสริมแม้กระทั่งการกระจายความเครียดและลดความเสี่ยงเมื่อยล้า นอกจากนี้ระบบท่อจะปลอดภัยยิ่งขึ้นเมื่อเสริมด้วยหน้าแปลนคอเชื่อมยาว หน้าแปลนประเภทนี้ช่วยสร้างสมดุลระหว่างความดันและการเปลี่ยนแปลงอุณหภูมิในของเหลวที่ไหลในท่อ
หน้าแปลนคอเชื่อมยาวได้รับการสนับสนุนในการตั้งค่าอุตสาหกรรมที่สำคัญเนื่องจากความสมบูรณ์ของโครงสร้างที่เพิ่มขึ้น โดยเฉพาะอย่างยิ่งคอขยายช่วยให้กระบวนการเชื่อมและการตรวจสอบง่ายขึ้น พื้นที่ที่เพียงพอสำหรับการเชื่อมช่วยให้มั่นใจได้ว่าการเชื่อมต่อที่ปลอดภัยในขณะที่ความยาวขยายทำให้การตรวจสอบง่ายขึ้นโดยให้การมองเห็นและการเข้าถึงที่ดีขึ้น
หน้าแปลนคอเชื่อมยาวเป็นที่แพร่หลายในอุตสาหกรรมปิโตรเคมีน้ำมันและก๊าซและอุตสาหกรรมการผลิตไฟฟ้าซึ่งมีส่วนทำให้ระบบท่อที่แข็งแกร่งและเชื่อถือได้ การออกแบบของพวกเขาช่วยให้มั่นใจได้ถึงความทนทานและความปลอดภัยทำให้พวกเขาเป็นตัวเลือกที่ต้องการสำหรับแอปพลิเคชันที่มีประสิทธิภาพเป็นสิ่งสำคัญยิ่ง
การแนะนำ
| มาตรฐาน | ANSI B16.5, ANSI B16.47, ANSI B16.36, ANSI B16.48, BS 4504, EN1092, Uni 2277/2278, DIN, JIS, SABS1123, GOST-12820 ฯลฯ ฯลฯ |
| วัสดุ | สแตนเลส: A182 F304, A182F304L, A182 F316, A182 F316L, A182F321, A182 317H, A182316TI, F53, F51 ฯลฯ ฯลฯ เหล็กกล้าคาร์บอน: A105, A350LF2 โลหะผสมเหล็ก: A182 F11, A182F22, A182F12, A182 F5, A182F91, A182 F9 ฯลฯ |
| พื้นผิว | การรักษาสีต่อต้านความทนทาน, สีดำน้ำมัน, สีเหลืองโปร่งใส, สังกะสีชุบ, เย็นและร้อนชุบสังกะสีร้อน |
| พิมพ์ | การปลอมแปลงเครื่องตัดเฉือนซีเอ็นซี |
| ขนาด | 1/2 "-24" |
| เวลาจัดส่ง | ภายใน 5-30 วันหลังจากได้รับแบบเติมเงิน |
| การบรรจุหีบห่อ | การรักษาสีต่อต้านความทนทาน, สีดำน้ำมัน, สีเหลืองโปร่งใส, สังกะสีชุบ, เย็นและร้อนชุบสังกะสีร้อน |
| แอปพลิเคชัน | สารเคมี, โรงสีน้ำมัน, ปิโตรเคมี, การขุด, โรงกลั่น, การก่อสร้าง, ปุ๋ย, เรือต่อเรือ, โรงไฟฟ้า, โรงงานเหล็ก, พลังงานนิวเคลียร์, นอกชายฝั่ง, น้ำมันและก๊าซ, การป้องกัน, กระดาษ, โรงเบียร์, รถไฟ, ซีเมนต์และวิศวกรรม ฯลฯ |
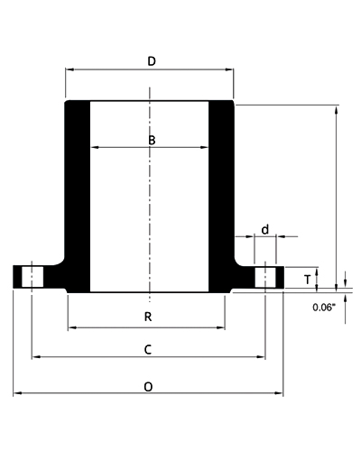
| NPS | เบื่อ | OD | thk | OD | เลขที่ ของหลุม | ขนาดรู | วงกลมสลักเกลียว | ยกหน้า Dia | ความยาว | น้ำหนัก |
| (ใน) | B (ใน) | o (ใน) | ดีบุก) | D (ใน) | (หลุม) | D (ใน) | C (ใน) | r (ใน) | l (ใน) | (กิโล)- |
| ½ | 0.50 | 3.50 | 0.44 | 1.25 | 4 | 0.62 | 2.38 | 1.38 | 9.00 | 1.36 |
| ¾ | 0.75 | 3.88 | 0.50 | 1.62 | 4 | 0.62 | 2.75 | 1.69 | 9.00 | 2.27 |
| 1 | 1.00 | 4.25 | 0.56 | 2.00 | 4 | 0.62 | 3.12 | 2.00 | 9.00 | 3.17 |
| 1 ¼ | 1.25 | 4.26 | 0.62 | 2.38 | 4 | 0.62 | 3.50 | 2.50 | 9.00 | 4.54 |
| 1 ½ | 1.50 | 5.00 | 0.69 | 2.62 | 4 | 0.62 | 3.88 | 2.88 | 9.00 | 5.44 |
| 2 | 2.00 | 6.00 | 0.75 | 3.25 | 4 | 0.75 | 4.75 | 3.63 | 9.00 | 6.81 |
| 2 ½ | 2.50 | 7.00 | 0.88 | 3.75 | 4 | 0.75 | 5.50 | 4.13 | 9.00 | 9.98 |
| 3 | 3.00 | 7.50 | 0.94 | 4.25 | 4 | 0.75 | 6.00 | 5.00 | 9.00 | 11.35 |
| 3 ½ | 3.50 | 8.50 | 0.94 | 4.88 | 8 | 0.75 | 7.00 | 5.50 | 9.00 | 14.52 |
| 4 | 4.00 | 9.00 | 0.94 | 5.50 | 8 | 0.75 | 7.50 | 6.19 | 12.00 | 21.33 |
| 5 | 5.00 | 10.00 | 0.94 | 6.50 | 8 | 0.88 | 8.50 | 7.31 | 12.00 | 25.87 |
| 6 | 6.00 | 11.00 | 1.00 | 7.75 | 8 | 0.88 | 9.50 | 8.50 | 12.00 | 34.05 |
| 8 | 8.00 | 13.50 | 1.12 | 9.75 | 8 | 0.88 | 11.75 | 1063 | 12.00 | 46.30 |
| 10 | 10.00 | 16.00 | 1.19 | 12.00 | 12 | 1.00 | 14.25 | 12.75 | 12.00 | 64.92 |
| 12 | 12.00 | 19.00 | 1.25 | 14.38 | 12 | 1.00 | 17.00 | 15.00 | 12.00 | 93.07 |
| 14 | 14.00 | 31.00 | 1.38 | 16.00 | 12 | 1.12 | 18.75 | 16.25 | 12.00 | 95.79 |
| 16 | 16.00 | 23.50 | 1.44 | 18.00 | 16 | 1.12 | 21.25 | 18.50 | 12.00 | 111.68 |
| 18 | 18.00 | 25.00 | 1.56 | 20.00 | 16 | 1.25 | 22.75 | 21.00 | 12.00 | 122.58 |
| 20 | 20.00 | 25.50 | 1.69 | 22.00 | 20 | 1.25 | 25.00 | 23.00 | 12.00 | 141.19 |
| 24 | 24.00 | 32.00 | 1.88 | 26.25 | 20 | 1.38 | 29.50 | 27.25 | 112.00 | 192.04 |
ชั้น 300
| NPS | เบื่อ | OD | thk | OD | เลขที่ ของหลุม | ขนาดรู | วงกลมสลักเกลียว | ยกหน้า Dia | ความยาว | น้ำหนัก |
| (ใน) | B (ใน) | o (ใน) | ดีบุก) | D (ใน) | (หลุม) | D (ใน) | C (ใน) | r (ใน) | l (ใน) | (กิโล)- |
| ½ | 0.50 | 3.75 | 0.56 | 1.50 | 4 | 0.62 | 26.2 | 1.38 | 9.00 | 2.27 |
| ¾ | 0.75 | 4.62 | 0.62 | 1.88 | 4 | 0.75 | 3.25 | 1.69 | 9.00 | 4.08 |
| 1 | 1.00 | 4.88 | 0.69 | 2.12 | 4 | 0.75 | 3.50 | 2.00 | 9.00 | 4.08 |
| 1 ¼ | 1.25 | 5.25 | 0.75 | 2.50 | 4 | 0.75 | 3.88 | 2.50 | 9.00 | 5.90 |
| 1 ½ | 1.50 | 6.12 | 0.81 | 2.75 | 4 | 0.88 | 4.50 | 2.88 | 9.00 | 6.81 |
| 2 | 2.00 | 6.50 | 0.88 | 3.31 | 8 | 0.75 | 5.00 | 3.63 | 9.00 | 9.08 |
| 2 ½ | 2.50 | 7.50 | 1.00 | 3.94 | 8 | 0.88 | 5.88 | 4.13 | 9.00 | 11.35 |
| 3 | 3.00 | 8.25 | 1.12 | 4.62 | 8 | 0.88 | 6.62 | 5.00 | 9.00 | 15.89 |
| 3 ½ | 3.50 | 9.00 | 1.19 | 5.25 | 8 | 0.88 | 7.25 | 5.50 | 9.00 | 19.06 |
| 4 | 4.00 | 10.00 | 1.25 | 5.75 | 8 | 0.88 | 7.88 | 6.19 | 12.00 | 28.14 |
| 5 | 5.00 | 11.00 | 1.38 | 7.00 | 8 | 0.88 | 9.25 | 7.31 | 12.00 | 38.14 |
| 6 | 6.00 | 12.50 | 1.44 | 8.12 | 12 | 0.88 | 10.62 | 8.50 | 12.00 | 47367 |
| 8 | 8.00 | 15.00 | 1.62 | 10.25 | 12 | 1.00 | 13.00 | 10.63 | 12.00 | 67.19 |
| 10 | 10.00 | 17.50 | 1.88 | 12.62 | 16 | 1.12 | 15.25 | 12.57 | 12.00 | 95.34 |
| 12 | 12.00 | 20.50 | 2.00 | 14.75 | 16 | 1.25 | 17.75 | 15.00 | 12.00 | 124.85 |
| 14 | 14.00 | 23.00 | 2.12 | 16.75 | 20 | 1.25 | 20.25 | 16.25 | 12.00 | 147.09 |
| 16 | 16.00 | 25.50 | 2.25 | 19.00 | 20 | 1.38 | 22.50 | 18.50 | 12.00 | 173.41 |
| 18 | 18.00 | 28.00 | 2.38 | 21.00 | 24 | 1.38 | 24.75 | 21.00 | 12.00 | 211.11 |
| 20 | 20.00 | 30.50 | 2.50 | 23.12 | 24 | 1.38 | 27.00 | 23.00 | 12.00 | 249.16 |
| 24 | 24.00 | 36.00 | 2.75 | 27.62 | 24 | 1.62 | 32.00 | 27.25 | 12.00 | 353.21 |
ชั้น 400
| NPS | เบื่อ | OD | thk | OD | เลขที่ ของหลุม | ขนาดรู | วงกลมสลักเกลียว | ยกหน้า Dia | ความยาว | น้ำหนัก |
| (ใน) | B (ใน) | o (ใน) | ดีบุก) | D (ใน) | (หลุม) | D (ใน) | C (ใน) | r (ใน) | l (ใน) | (กิโล)- |
| ½ | 0.50 | 3.75 | 0.56 | 1.50 | 4 | 0.62 | 26.20 | 1.38 | 9.00 | 2.27 |
| ¾ | 0.75 | 4.62 | 0.62 | 1.88 | 4 | 0.75 | 3.25 | 1.69 | 9.00 | 3.63 |
| 1 | 1.00 | 4.88 | 0.69 | 2.12 | 4 | 0.75 | 3.50 | 2.00 | 9.00 | 4.08 |
| 1 ¼ | 1.25 | 5.25 | 0.81 | 2.50 | 4 | 0.75 | 3.88 | 2.50 | 9.00 | 5.09 |
| 1 ½ | 1.50 | 6.12 | 0.88 | 2.75 | 4 | 0.88 | 4.50 | 2.88 | 9.00 | 7.266.50 |
| 2 | 2.00 | 6.50 | 1.00 | 3.31 | 8 | 0.75 | 5.00 | 3.63 | 9.00 | 9.08 |
| 2 ½ | 2.50 | 7.50 | 1.12 | 3.94 | 8 | 0.88 | 5.88 | 4.13 | 9.00 | 12.25 |
| 3 | 3.00 | 8.25 | 1.25 | 4.62 | 8 | 0.88 | 6.62 | 5.00 | 9.00 | 16.34 |
| 3 ½ | 3.50 | 9.00 | 1.38 | 5.25 | 8 | 1.00 | 7.25 | 5.50 | 9.00 | 20.04 |
| 4 | 4.00 | 10.00 | 1.38 | 5.75 | 8 | 1.00 | 7.88 | 6.19 | 12.00 | 29.51 |
| 5 | 5.00 | 11.00 | 1.50 | 7.00 | 8 | 1.00 | 9.25 | 7.31 | 12.00 | 39.95 |
| 6 | 6.00 | 12.50 | 1.62 | 8.12 | 12 | 1.00 | 10.62 | 8.50 | 12.00 | 49.94 |
| 8 | 8.00 | 15.00 | 1.88 | 10.25 | 12 | 1.12 | 13.00 | 10.63 | 12.00 | 69.91 |
| 10 | 10.00 | 17.50 | 2.12 | 12.62 | 16 | 1.25 | 15.25 | 12.75 | 12.00 | 98.97 |
| 12 | 12.00 | 20.50 | 2.25 | 14.75 | 16 | 1.38 | 17.75 | 15.00 | 12.00 | 129.39 |
| 14 | 14.00 | 23.00 | 2.38 | 16.75 | 20 | 1.38 | 20.25 | 16.25 | 12.00 | 152.54 |
| 16 | 16.00 | 25.50 | 2.50 | 19.00 | 20 | 1.50 | 22.50 | 18.50 | 12.00 | 189.77 |
| 18 | 18.00 | 28.00 | 2.62 | 21.00 | 24 | 1.50 | 24.75 | 21.00 | 12.00 | 218.82 |
| 20 | 20.00 | 30.50 | 2.75 | 23.12 | 24 | 1.62 | 27.00 | 23.00 | 12.00 | 257.87 |
| 24 | 24.00 | 36.00 | 3.0 | 27.62 | 24 | 1.88 | 32.00 | 27.25 | 12.00 | 365.01 |
คลาส 600
| NPS | เบื่อ | OD | thk | OD | เลขที่ ของหลุม | ขนาดรู | วงกลมสลักเกลียว | ยกหน้า Dia | ความยาว | น้ำหนัก |
| (ใน) | B (ใน) | o (ใน) | ดีบุก) | D (ใน) | (หลุม) | D (ใน) | C (ใน) | r (ใน) | l (ใน) | (กิโล)- |
| ½ | 0.50 | 3.75 | 0.56 | 1.50 | 4 | 0.62 | 2.62 | 1.38 | 9.00 | 2.27 |
| ¾ | 0.75 | 4.62 | 0.62 | 1.88 | 4 | 0.75 | 3.25 | 1.69 | 9.00 | 3.63 |
| 1 | 1.00 | 4.88 | 0.69 | 2.12 | 4 | 0.75 | 3.50 | 2.00 | 9.00 | 4.08 |
| 1 ¼ | 1.25 | 5.25 | 0.81 | 2.50 | 4 | 0.75 | 3.88 | 2.50 | 9.00 | 5.09 |
| 1 ½ | 1.50 | 6.12 | 0.88 | 2.75 | 4 | 0.88 | 4.50 | 2.88 | 9.00 | 7.26 |
| 2 | 2.00 | 6.50 | 1.00 | 3.31 | 8 | 0.75 | 5.00 | 3.63 | 9.00 | 9.08 |
| 2 ½ | 2.50 | 7.50 | 1.12 | 3.94 | 8 | 0.88 | 5.88 | 4.13 | 9.00 | 12.25 |
| 3 | 3.00 | 8.25 | 1.25 | 4.62 | 8 | 0.88 | 6.62 | 5.00 | 9.00 | 16.34 |
| 4 | 4.00 | 10.75 | 1.50 | 6.00 | 8 | 1.00 | 8.50 | 6.19 | 12.00 | 34.95 |
| 5 | 5.00 | 13.00 | 1.75 | 7.50 | 8 | 1.12 | 10.50 | 7.31 | 12.00 | 55.84 |
| 6 | 6.00 | 14.00 | 1.88 | 8.75 | 12 | 0.88 | 11.50 | 9.50 | 12.00 | 69.08 |
| 8 | 8.00 | 16.50 | 2.19 | 10.75 | 12 | 1.25 | 13.75 | 10.63 | 12.00 | 93.97 |
| 10 | 10.00 | 20.00 | 2.50 | 13.50 | 16 | 1.38 | 17.00 | 12.75 | 12.00 | 147.09 |
| 12 | 12.00 | 22.00 | 2.62 | 15.75 | 20 | 1.38 | 19.25 | 15.00 | 12.00 | 178.42 |
| 14 | 14.00 | 23.75 | 2.75 | 17.00 | 20 | 1.50 | 20.75 | 16.25 | 16.00 | 213.83 |
| 16 | 16.00 | 27.00 | 3.00 | 19.50 | 20 | 1.62 | 23.75 | 18.50 | 16.00 | 289.65 |
| 18 | 18.00 | 29.25 | 3.25 | 21.50 | 20 | 1.75 | 25.75 | 21.00 | 16.00 | 331.42 |
| 20 | 20.00 | 32.00 | 3.50 | 24.00 | 24 | 1.75 | 28.50 | 23.00 | 16.00 | 415.86 |
| 24 | 24.00 | 37.00 | 4.00 | 28.25 | 24 | 2.00 | 33.00 | 27.25 | 16.00 | 549.34 |
คลาส 900
| NPS | เบื่อ | OD | thk | OD | เลขที่ ของหลุม | ขนาดรู | วงกลมสลักเกลียว | ยกหน้า Dia | ความยาว | น้ำหนัก |
| (ใน) | B (ใน) | o (ใน) | ดีบุก) | D (ใน) | (หลุม) | D (ใน) | C (ใน) | r (ใน) | l (ใน) | (กิโล)- |
| ½ | 0.50 | 4.75 | 0.88 | 1.56 | 4 | 0.88 | 3.25 | 1.38 | 9.00 | 3.63 |
| ¾ | 0.75 | 5.12 | 1.00 | 1.81 | 4 | 0.88 | 3.50 | 1.69 | 9.00 | 4.54 |
| 1 | 1.00 | 5.88 | 1.12 | 2.12 | 4 | 1.00 | 4.00 | 2.00 | 9.00 | 5.09 |
| 1 ¼ | 1.25 | 6.25 | 1.112 | 2.50 | 4 | 1.00 | 4.38 | 2.50 | 9.00 | 7.71 |
| 1 ½ | 1.50 | 7.00 | 1.25 | 2.75 | 4 | 1.12 | 4.88 | 2.88 | 9.00 | 9.53 |
| 2 | 2.00 | 8.50 | 1.50 | 4.12 | 8 | 1.00 | 6.50 | 3.63 | 9.00 | 19.06 |
| 2 ½ | 2.50 | 9.62 | 1.62 | 4.88 | 8 | 1.12 | 7.50 | 4.13 | 9.00 | 23.15 |
| 3 | 3.00 | 9.50 | 1.50 | 5.00 | 8 | 1.00 | 7.50 | 5.00 | 9.00 | 25.42 |
| 4 | 4.00 | 11.50 | 1.75 | 6.25 | 8 | 1.25 | 9.25 | 6.19 | 12.00 | 42.22 |
| 5 | 5.00 | 13.75 | 2.00 | 7.50 | 8 | 1.38 | 11.00 | 7.31 | 12.00 | 61.29 |
| 6 | 6.00 | 15.00 | 2.19 | 9.25 | 12 | 1.25 | 12.50 | 8.50 | 12.00 | 86.71 |
| 8 | 8.00 | 18.50 | 2.50 | 11.75 | 12 | 1.50 | 15.50 | 10.63 | 12.00 | 134.83 |
| 10 | 10.00 | 21.50 | 2.75 | 14.50 | 16 | 1.50 | 18.50 | 12.75 | 12.00 | 191.58 |
| 12 | 12.00 | 24.00 | 3.12 | 16.50 | 20 | 1.50 | 21.00 | 15.00 | 12.00 | 235.17 |
| 14 | 14.00 | 25.25 | 3.38 | 17.75 | 20 | 1.62 | 22.00 | 16.25 | 16.00 | 283.29 |
| 16 | 16.00 | 27.75 | 3.50 | 20.00 | 20 | 1.75 | 24.25 | 18.50 | 16.00 | 340.50 |
| 18 | 18.00 | 31.00 | 4.00 | 22.25 | 20 | 2.00 | 27.00 | 21.00 | 16.00 | 413.30 |
| 20 | 20.00 | 33.75 | 4.25 | 24.50 | 20 | 2.12 | 29.50 | 23.00 | 16.00 | 508.93 |
| 24 | 24.00 | 41.00 | 5.50 | 29.50 | 20 | 2.621 | 35.50 | 27.25 | 16.00 | 846.71 |
คลาส 1500
| NPS | เบื่อ | OD | thk | OD | เลขที่ ของหลุม | ขนาดรู | วงกลมสลักเกลียว | ยกหน้า Dia | ความยาว | น้ำหนัก |
| (ใน) | B (ใน) | o (ใน) | ดีบุก) | D (ใน) | (หลุม) | D (ใน) | C (ใน) | r (ใน) | l (ใน) | (กิโล)- |
| ½ | 0.50 | 4.75 | 0.88 | 1.56 | 4 | 0.88 | 3.25 | 1.38 | 9.00 | 3.63 |
| ¾ | 0.75 | 5.12 | 1.00 | 1.81 | 4 | 0.88 | 3.50 | 1.69 | 9.00 | 4.54 |
| 1 | 1.00 | 5.88 | 1.12 | 2.12 | 4 | 1.00 | 4.00 | 2.00 | 9.00 | 5.09 |
| 1 ¼ | 1.25 | 6.25 | 1.12 | 2.50 | 4 | 1.00 | 4.38 | 2.50 | 9.00 | 7.71 |
| 1 ½ | 1.50 | 7.00 | 1.25 | 2.75 | 4 | 1.12 | 4.88 | 2.88 | 9.00 | 9.53 |
| 2 | 2.00 | 9.50 | 1.50 | 4.12 | 8 | 1.00 | 6.50 | 3.63 | 9.00 | 19.06 |
| 2 ½ | 2.50 | 9.62 | 1.62 | 4.88 | 8 | 1.12 | 7.50 | 4.13 | 9.00 | 25.42 |
| 3 | 3.00 | 10.50 | 1.88 | 5.25 | 8 | 1.25 | 8.00 | 5.00 | 9.00 | 30.41 |
| 4 | 4.00 | 12.25 | 2.12 | 6.38 | 8 | 1.38 | 9.50 | 6.19 | 12.00 | 49.94 |
| 5 | 5.00 | 14.75 | 2.88 | 7.75 | 8 | 1.62 | 11.50 | 7.31 | 12.00 | 82.17 |
| 6 | 6.00 | 15.50 | 3.25 | 9.00 | 12 | 1.50 | 12.50 | 8.50 | 12.00 | 97.61 |
| 8 | 8.00 | 19.00 | 3.62 | 11.50 | 12 | 1.75 | 15.50 | 10.63 | 12.00 | 152.99 |
| 10 | 10.00 | 23.00 | 4.25 | 14.50 | 12 | 2.00 | 19.00 | 12.75 | 12.00 | 247.88 |
| 12 | 12.00 | 26.50 | 4.88 | 17.75 | 16 | 2.12 | 22.50 | 15.00 | 12.00 | 429.48 |
| 14 | 14.00 | 29.50 | 5.25 | 19.50 | 16 | 2.38 | 25.00 | 16.25 | 16.00 | 506.66 |
| 16 | 16.00 | 32.50 | 5.75 | 21.75 | 16 | 2.62 | 27.75 | 18.50 | 16.00 | 622.43 |
| 18 | 18.00 | 36.00 | 6.38 | 23.50 | 16 | 2.88 | 30.50 | 21.00 | 16.00 | 759.99 |
| 20 | 20.00 | 38.75 | 7.00 | 25.25 | 16 | 3.12 | 32.75 | 23.00 | 16.00 | 882.12 |
| 24 | 24.00 | 46.00 | 8.00 | 30.00 | 16 | 3.62 | 39.00 | 27.25 | 16.00 | 1332.94 |
ชั้น 2500
| NPS | เบื่อ | OD | thk | OD | เลขที่ ของหลุม | ขนาดรู | วงกลมสลักเกลียว | ยกหน้า Dia | ความยาว | น้ำหนัก |
| (ใน) | B (ใน) | o (ใน) | ดีบุก) | D (ใน) | (หลุม) | D (ใน) | C (ใน) | r (ใน) | l (ใน) | (กิโล)- |
| ½ | 0.50 | 5.25 | 1.19 | 1.81 | 4 | 0.88 | 3.50 | 1.38 | 9.00 | 4.99 |
| ¾ | 0.75 | 5.50 | 1.25 | 2.06 | 4 | 0.88 | 3.75 | 1.69 | 9.00 | 5.90 |
| 1 | 1.00 | 6.25 | 1.38 | 2.25 | 4 | 1.00 | 4.25 | 2.00 | 9.00 | 8.17 |
| 1 ¼ | 1.25 | 7.25 | 1.50 | 2.88 | 4 | 1.12 | 5.12 | 2.50 | 9.00 | 12.25 |
| 1 ½ | 1.50 | 8.00 | 1.75 | 3.12 | 4 | 1.25 | 5.75 | 2.88 | 9.00 | 14.98 |
| 2 | 2.00 | 9.25 | 2.00 | 3.75 | 8 | 1.12 | 6.75 | 3.63 | 9.00 | 21.72 |
| 2 ½ | 2.50 | 10.50 | 2.25 | 4.50 | 8 | 1.25 | 7.75 | 4.13 | 9.00 | 29.96 |
| 3 | 3.00 | 12.00 | 2.62 | 5.25 | 8 | 1.38 | 9.00 | 5.00 | 9.00 | 44.03 |
| 4 | 4.00 | 14.00 | 3.00 | 6.50 | 8 | 1.62 | 10.75 | 6.19 | 12.00 | 72.18 |
| 5 | 5.00 | 16.50 | 3.62 | 8.00 | 8 | 1.88 | 12.75 | 7.31 | 12.00 | 112.59 |
| 6 | 6.00 | 19.00 | 4.25 | 9.25 | 8 | 2.12 | 14.50 | 8.50 | 12.00 | 162.53 |
| 8 | 8.00 | 21.75 | 5.00 | 12.00 | 12 | 2.12 | 17.25 | 10.63 | 16.00 | 267.40 |
| 10 | 10.00 | 26.50 | 6.50 | 14.75 | 12 | 2.62 | 21.25 | 12.75 | 16.00 | 452.63 |
| 12 | 12.00 | 30.00 | 7.25 | 17.38 | 12 | 2.88 | 24.38 | 15.00 | 16.00 | 618.80 |
ก่อตั้งขึ้นในปี 2550 และย้ายไปอยู่ที่เขตพัฒนาเศรษฐกิจ Longyou จังหวัดเจ้อเจียงในปี 2565 มันครอบคลุมพื้นที่ 130,000 ตารางเมตรมากกว่า 30 สายการผลิต 300 คนงาน 20 คน R&D ผู้ตรวจสอบ 30 คนและผลผลิตประจำปี 50,000 ตัน
มันผ่านระบบการจัดการคุณภาพ ISO9001: 2008, PED 97/23/EC EU อุปกรณ์การรับรองอุปกรณ์การรับรองอุปกรณ์การผลิตอุปกรณ์พิเศษของจีน (ท่อความดัน) การรับรอง TS, การรับรอง ASME, ระบบการจัดการมาตรฐานขององค์กรระดับจังหวัด ทะเบียนการขนส่ง (LR), Deutsche Veritas (GL), Bureau Veritas Society (BV), Det Norske Veritas (DNV) และการรับรองจากโรงงานการขนส่ง (KR) เกาหลี
ผลิตภัณฑ์หลัก ได้แก่ ท่อสแตนเลส, อุปกรณ์ท่อ, หน้าแปลน, วาล์ว, ฯลฯ ซึ่งมีการใช้กันอย่างแพร่หลายในปิโตรเลียมอุตสาหกรรมเคมีอุตสาหกรรมนิวเคลียร์การถลุงการต่อเรือการต่อเรือการต่อเรือ บริษัท ปฏิบัติตามหลักการขององค์กร "คุณภาพเพื่อความอยู่รอดชื่อเสียงด้านการพัฒนา" และให้บริการลูกค้าทุกคนอย่างสุดใจในการสร้างสถานการณ์ที่ชนะ





ความหนาแน่นมวลของเหล็กเหนียว: พื้นฐานและความสำคัญเชิงปฏิบัติ ความหนาแน่นมวลของเหล็กเหนียวเป็นคุณสมบัติพื้นฐานที่ส่งผลโดยตรงต่อวิธีที่วิศวกรและนักออกแบบกำหนดขนาดส่วนประกอบ การประมาณน้ำหนัก และการ...
ดูเพิ่มเติมรู้เบื้องต้นเกี่ยวกับวัสดุเหล็กโลหะผสมต่ำ วัสดุเหล็กโลหะผสมต่ำเป็นเหล็กชนิดหนึ่งที่มีองค์ประกอบโลหะผสมเล็กน้อย ซึ่งโดยทั่วไปแล้วจะน้อยกว่า 8% นอกเหนือจากคาร์บอน องค์ประกอบเหล่านี้ เช่น โครเมียม ...
ดูเพิ่มเติมภาพรวม — "น้ำหนักต่อลูกบาศก์นิ้ว" หมายถึงอะไรสำหรับสแตนเลส "น้ำหนักต่อลูกบาศก์นิ้ว" เป็นเพียงมวล (เป็นปอนด์) ของวัสดุหนึ่งลูกบาศก์นิ้ว สำหรับเหล็กสเตนเลส ขึ้นอยู่กับองค์ประกอบและอุณหภูมิของโลหะผ...
ดูเพิ่มเติมเราจะไม่แบ่งปันที่อยู่อีเมลของคุณและคุณ
สามารถยกเลิกได้ตลอดเวลาเราสัญญา