





ไม้กางเขนเป็นประเภทของท่อที่มีช่องเปิดสี่ช่องในการเชื่อมต่อเดียว การติดตั้งดูเหมือนข้ามและเชื่อมต่อท่อที่แตกต่างกันสี่ท่อในจุดเดียว มันมักจะมีซ็อกเก็ตที่เชื่อมด้วยตัวทำละลายหรือปลายผู้หญิง-เธรด
Cross Fitting ที่เท่าเทียมกันเป็นไม้กางเขนที่มีช่องเปิดทั้งสี่ของมีเส้นผ่านศูนย์กลางเท่ากันและเชื่อมต่อกับสี่ท่อที่มีเส้นผ่านศูนย์กลางเดียวกันเช่นกัน
อุปกรณ์ข้ามท่อถูกใช้เพื่อเชื่อมต่อท่อและเปลี่ยนหรือควบคุมการไหลผ่านระบบท่อ ขนาดของมันมีบทบาทสำคัญในการตัดสินใจความแข็งแกร่งและความมั่นคง เมื่อท่อขนาดเดียวกันเชื่อมต่อกันและการไหลของของเหลวจากทิศทางเดียวมันจะถูกแบ่งออกเป็นสามทิศทาง การติดตั้งแบบข้ามท่อจะต้องเผชิญกับปัญหาแรงดันที่ดีเมื่อของเหลวไหลในสามทิศทางและคาดว่าจะย้ายออกไปในทิศทางเดียว
อุปกรณ์ข้ามท่ออาจทำให้ท่อเกิดขึ้นเมื่ออุณหภูมิเปลี่ยนไปเนื่องจากธรรมชาติสี่ทาง ดังนั้นโดยทั่วไปแล้วท่อข้ามจึงไม่ได้ใช้เป็นส่วนประกอบไฮดรอลิกไปป์ไลน์ ในทางกลับกันที่ซึ่งการขยายตัวทางความร้อนไม่เป็นปัญหา
การแนะนำ
| กากบาทเท่ากัน | |
| รายการ | สแตนเลสสตีลเท่ากัน |
| มาตรฐาน | ASME: ANSI B16.9, ANSI B16.28, MSS-SP-43 EN: EN10253-1, EN10253-2 DIN: DIN2605, DIN2615, DIN2616, DIN2617, DIN28011 ASME B16.25- การเชื่อมก้นสิ้นสุด ASME B16.28- เหล็กดัดรัศมีรัศมีสั้นและการเชื่อมก้นส่งคืน MSS SP-43-fabricated & wrought butt-welding fittings สำหรับแอปพลิเคชันที่ทนต่อการกัดกร่อนและแรงดันต่ำ ASTM A403-asme SA403-specification สำหรับอุปกรณ์ท่อสแตนเลสสตีลออสเทนนิติกดัด ASME B16.9-wrought Fittings Butt Welding |
| วัสดุ | สแตนเลสสตีลเหล็กอัลลอยด์เพล็กซ์โลหะผสมนิกเกิลเหล็กอุณหภูมิต่ำเหล็กกล้าคาร์บอน ฯลฯ |
| พื้นผิว | อบอ่อนและดอง, ชุบสังกะสีจุ่มร้อน, อิเล็กโทรโปแลนด์, น้ำมันใส, จานสังกะสี, สีดำ, เคลือบเงา |
| พิมพ์ | กดกด, forge, cast, ฯลฯ |
| ขนาด | ½ "-48" |
| เวลาจัดส่ง | ภายใน 5-30 วันหลังจากได้รับแบบเติมเงิน |
| การบรรจุหีบห่อ | หดพาเลทกล่องห่อหรือในไม้ Seaworthy ไม้ |
| แอปพลิเคชัน | อุปกรณ์เสริมเพื่อเชื่อมต่อท่อและท่อในปิโตรเลียม, พลังงาน, เคมี, การก่อสร้าง, ก๊าซ, โลหะวิทยา, การต่อเรือ ฯลฯ |
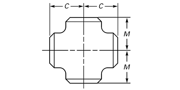
| ขนาดท่อเล็กน้อย | ขนาดท่อเล็กน้อย | ศูนย์ถึงจุดสิ้นสุด (ใน) | |
| NPS | (ใน.) | เรียกใช้ C | ทางออก, m |
| ½ | 0.84 | 1.00 | 1.00 |
| ¾ | 1.05 | 1.12 | 1.12 |
| 1 | 1.32 | 1.50 | 1.50 |
| 1¼ | 1.66 | 1.88 | 1.88 |
| 1½ | 1.90 | 2.25 | 2.25 |
| 2 | 2.38 | 2.50 | 2.50 |
| 2½ | 2.88 | 3.00 | 3.00 |
| 3 | 3.50 | 3.38 | 3.38 |
| 3½ | 4.00 | 3.75 | 3.75 |
| 4 | 4.50 | 4.12 | 4.12 |
| 5 | 5.56 | 4.88 | 4.88 |
| 6 | 6.62 | 5.62 | 5.62 |
| 8 | 8.62 | 7.00 | 7.00 |
| 10 | 10.75 | 8.50 | 8.50 |
| 12 | 12.75 | 10.00 | 10.00 |
| 14 | 14.00 | 11.00 | 11.00 |
| 16 | 16.00 | 12.00 | 12.00 |
| 18 | 18.00 | 13.50 | 13.50 |
| 20 | 20.00 | 15.00 | 15.00 |
| 22 | 22.00 | 16.50 | 16.50 |
| 24 | 24.00 | 17.00 | 17.00 |
| 26 | 26.00 | 19.50 | 19.50 |
| 28 | 28.00 | 20.50 | 20.50 |
| 30 | 30.00 | 22.00 | 22.00 |
| 32 | 32.00 | 23.50 | 23.50 |
| 34 | 34.00 | 25.00 | 25.00 |
| 36 | 36.00 | 26.50 | 26.50 |
| 38 | 38.00 | 28.00 | 28.00 |
| 40 | 40.00 | 29.50 | 29.50 |
| 42 | 42.00 | 30.00 | 28.00 |
| 44 | 44.00 | 32.00 | 30.00 |
| 46 | 46.00 | 33.50 | 31.50 |
| 48 | 48.00 | 35.00 | 33.00 |
ก่อตั้งขึ้นในปี 2550 และย้ายไปอยู่ที่เขตพัฒนาเศรษฐกิจ Longyou จังหวัดเจ้อเจียงในปี 2565 มันครอบคลุมพื้นที่ 130,000 ตารางเมตรมากกว่า 30 สายการผลิต 300 คนงาน 20 คน R&D ผู้ตรวจสอบ 30 คนและผลผลิตประจำปี 50,000 ตัน
มันผ่านระบบการจัดการคุณภาพ ISO9001: 2008, PED 97/23/EC EU อุปกรณ์การรับรองอุปกรณ์การรับรองอุปกรณ์การผลิตอุปกรณ์พิเศษของจีน (ท่อความดัน) การรับรอง TS, การรับรอง ASME, ระบบการจัดการมาตรฐานขององค์กรระดับจังหวัด ทะเบียนการขนส่ง (LR), Deutsche Veritas (GL), Bureau Veritas Society (BV), Det Norske Veritas (DNV) และการรับรองจากโรงงานการขนส่ง (KR) เกาหลี
ผลิตภัณฑ์หลัก ได้แก่ ท่อสแตนเลส, อุปกรณ์ท่อ, หน้าแปลน, วาล์ว, ฯลฯ ซึ่งมีการใช้กันอย่างแพร่หลายในปิโตรเลียมอุตสาหกรรมเคมีอุตสาหกรรมนิวเคลียร์การถลุงการต่อเรือการต่อเรือการต่อเรือ บริษัท ปฏิบัติตามหลักการขององค์กร "คุณภาพเพื่อความอยู่รอดชื่อเสียงด้านการพัฒนา" และให้บริการลูกค้าทุกคนอย่างสุดใจในการสร้างสถานการณ์ที่ชนะ





รู้เบื้องต้นเกี่ยวกับโลหะผสมเหล็ก โลหะผสมเหล็กเป็นเหล็กชนิดหนึ่งที่ทำขึ้นโดยการรวมเหล็กกล้าคาร์บอนเข้ากับองค์ประกอบโลหะผสมต่างๆ เช่น โครเมียม นิกเกิล โมลิบดีนัม และวาเนเดียม องค์ประกอบโลหะผสมเหล...
ดูเพิ่มเติมความหนาแน่นมวลของเหล็กเหนียว: พื้นฐานและความสำคัญเชิงปฏิบัติ ความหนาแน่นมวลของเหล็กเหนียวเป็นคุณสมบัติพื้นฐานที่ส่งผลโดยตรงต่อวิธีที่วิศวกรและนักออกแบบกำหนดขนาดส่วนประกอบ การประมาณน้ำหนัก และการ...
ดูเพิ่มเติมรู้เบื้องต้นเกี่ยวกับวัสดุเหล็กโลหะผสมต่ำ วัสดุเหล็กโลหะผสมต่ำเป็นเหล็กชนิดหนึ่งที่มีองค์ประกอบโลหะผสมเล็กน้อย ซึ่งโดยทั่วไปแล้วจะน้อยกว่า 8% นอกเหนือจากคาร์บอน องค์ประกอบเหล่านี้ เช่น โครเมียม ...
ดูเพิ่มเติมเราจะไม่แบ่งปันที่อยู่อีเมลของคุณและคุณ
สามารถยกเลิกได้ตลอดเวลาเราสัญญา