





สแตนเลสสตีลการมีเพศสัมพันธ์แบบตรงกลึงหลังจากการตีเหล็กกล้ากลมหรือเหล็กกล้าเหล็กกลม แบบฟอร์มการเชื่อมต่อคือการเชื่อมซ็อกเก็ต (ซ็อกเก็ต Welding-SW) ท่อเหล็กจะถูกแทรกเข้าไปในรูซ็อกเก็ตเพื่อเชื่อม ดังนั้นจึงเรียกว่า
สแตนเลสสตีลการมีเพศสัมพันธ์ตรงหมายความว่าเมื่อท่อสาขาเชื่อมต่อกับท่อหลักมันจะขยายผ่านข้อต่อครึ่งท่อเพื่ออำนวยความสะดวกในการเชื่อมและปลายอีกด้านเชื่อมต่อกับท่อสาขา
การมีเพศสัมพันธ์แบบตรงถูกนำมาใช้กันอย่างแพร่หลายในท่อที่มีเส้นผ่านศูนย์กลางที่แตกต่างกันรวมถึงทีที, ข้าม ฯลฯ และยังสามารถใช้สำหรับเครื่องวัดน้ำและวาล์ว เนื่องจากโครงสร้างซ็อกเก็ตข้อต่อท่อจะลดต้นทุนและสะดวกในการติดตั้งใช้และบำรุงรักษา มันมีข้อได้เปรียบมากมายเช่นพื้นผิวที่ราบรื่นไม่ใช่เรื่องง่ายที่จะกัดกร่อนการบำรุงรักษาเป็นศูนย์และอายุการใช้งานที่ยาวนาน นอกจากนี้ยังมีความสามารถในการป้องกันการรั่วไหลสูงมากและมีโอกาสในตลาดที่ดี
แอปพลิเคชั่น: การติดตั้งนี้เหมาะอย่างยิ่งสำหรับการเข้าร่วมท่อที่ไม่ได้ทำสองแบบซึ่งจำเป็นต้องมีแรงดึงสูงและแรงกระแทกสูง ใช้กันอย่างแพร่หลายในการก่อสร้างอาคารห้องน้ำห้องครัวอ่างล้างมือห้องปฏิบัติการ ฯลฯ
การแนะนำ
| รายการ | สแตนเลสคัปปลิ้งตรง |
| มาตรฐาน | ANSI B16.11, MSS SP 97, MSS SP 95, MSS SP 83, BS3799, ASTM A733 ฯลฯ |
| วัสดุ | สแตนเลส |
| พื้นผิว | CNC กลึงน้ำมันต่อต้านความทนทาน HDG (Hot Dip Gal.) |
| พิมพ์ | การหล่อ |
| ขนาด | DN6-100 |
| เวลาจัดส่ง | ภายใน 5-30 วันหลังจากได้รับแบบเติมเงิน |
| การบรรจุหีบห่อ | กล่องกล่องหรือไม้ สามารถปรับแต่งตามข้อกำหนดของลูกค้า |
| แอปพลิเคชัน | อุตสาหกรรมปิโตรเคมี อุตสาหกรรมการบินและอวกาศ อุตสาหกรรมยาไอเสียก๊าซ; โรงไฟฟ้า; อาคารเรือ; การบำบัดน้ำ ฯลฯ |
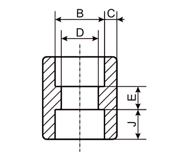
ขนาดเป็นมิลลิเมตร
| เส้นผ่าศูนย์กลางเล็กน้อย | ข | d | C | J | อี | ||||||||
| DN | NPS | 3000lb | 6000lb | 9000lb | 3000lb | 6000lb | 9000lb | ||||||
| เครื่องราง | นาที | เครื่องราง | นาที | เครื่องราง | นาที | ||||||||
| 6 | 1/8 " | 10.9 | 6.1 | 3.2 | - | 3.18 | 3.18 | 3.96 | 3.43 | - | - | 9.5 | 6.5 |
| 8 | 1/4 " | 14.3 | 8.5 | 5.6 | - | 3.78 | 3.30 | 4.60 | 4.01 | - | - | 9.5 | 6.5 |
| 10 | 3/8 " | 17.7 | 11.8 | 8.4 | - | 4.01 | 3.50 | 5.03 | 4.37 | - | - | 9.5 | 6.5 |
| 15 | 1/2 " | 21.9 | 15.0 | 11.0 | 5.6 | 4.67 | 4.09 | 5.97 | 5.18 | 9.53 | 8.18 | 9.5 | 9.5 |
| 20 | 3/4 " | 27.3 | 20.2 | 14.8 | 10.3 | 4.90 | 4.27 | 6.96 | 6.04 | 9.78 | 8.56 | 12.5 | 9.5 |
| 25 | 1 " | 34.0 | 25.9 | 19.9 | 14.4 | 5.69 | 4.98 | 7.92 | 6.93 | 11.38 | 9.96 | 12.5 | 12.5 |
| 32 | 1 1/4 " | 42.8 | 34.4 | 28.7 | 22.0 | 6.07 | 5.28 | 7.92 | 6.93 | 12.14 | 10.52 | 12.5 | 12.5 |
| 40 | 1 1/2 " | 48.9 | 40.1 | 33.2 | 27.2 | 6.35 | 5.54 | 8.92 | 7.80 | 12.70 | 11.12 | 12.5 | 12.5 |
| 50 | 2 " | 61.2 | 51.7 | 42.1 | 37.4 | 6.93 | 6.04 | 10.92 | 9.50 | 13.84 | 12.12 | 16.0 | 19.0 |
| 65 | 2 1/2 " | 73.9 | 61.2 | - | - | 8.76 | 7.62 | - | - | - | - | 16.0 | 19.0 |
| 80 | 3 " | 89.9 | 76.4 | - | - | 9.52 | 8.30 | - | - | - | - | 16.0 | 19.0 |
| 100 | 4 " | 115.5 | 100.7 | - | - | 10.69 | 9.35 | - | - | - | - | 19.0 | 19.0 |
ก่อตั้งขึ้นในปี 2550 และย้ายไปอยู่ที่เขตพัฒนาเศรษฐกิจ Longyou จังหวัดเจ้อเจียงในปี 2565 มันครอบคลุมพื้นที่ 130,000 ตารางเมตรมากกว่า 30 สายการผลิต 300 คนงาน 20 คน R&D ผู้ตรวจสอบ 30 คนและผลผลิตประจำปี 50,000 ตัน
มันผ่านระบบการจัดการคุณภาพ ISO9001: 2008, PED 97/23/EC EU อุปกรณ์การรับรองอุปกรณ์การรับรองอุปกรณ์การผลิตอุปกรณ์พิเศษของจีน (ท่อความดัน) การรับรอง TS, การรับรอง ASME, ระบบการจัดการมาตรฐานขององค์กรระดับจังหวัด ทะเบียนการขนส่ง (LR), Deutsche Veritas (GL), Bureau Veritas Society (BV), Det Norske Veritas (DNV) และการรับรองจากโรงงานการขนส่ง (KR) เกาหลี
ผลิตภัณฑ์หลัก ได้แก่ ท่อสแตนเลส, อุปกรณ์ท่อ, หน้าแปลน, วาล์ว, ฯลฯ ซึ่งมีการใช้กันอย่างแพร่หลายในปิโตรเลียมอุตสาหกรรมเคมีอุตสาหกรรมนิวเคลียร์การถลุงการต่อเรือการต่อเรือการต่อเรือ บริษัท ปฏิบัติตามหลักการขององค์กร "คุณภาพเพื่อความอยู่รอดชื่อเสียงด้านการพัฒนา" และให้บริการลูกค้าทุกคนอย่างสุดใจในการสร้างสถานการณ์ที่ชนะ





ความหนาแน่นมวลของเหล็กเหนียว: พื้นฐานและความสำคัญเชิงปฏิบัติ ความหนาแน่นมวลของเหล็กเหนียวเป็นคุณสมบัติพื้นฐานที่ส่งผลโดยตรงต่อวิธีที่วิศวกรและนักออกแบบกำหนดขนาดส่วนประกอบ การประมาณน้ำหนัก และการ...
ดูเพิ่มเติมรู้เบื้องต้นเกี่ยวกับวัสดุเหล็กโลหะผสมต่ำ วัสดุเหล็กโลหะผสมต่ำเป็นเหล็กชนิดหนึ่งที่มีองค์ประกอบโลหะผสมเล็กน้อย ซึ่งโดยทั่วไปแล้วจะน้อยกว่า 8% นอกเหนือจากคาร์บอน องค์ประกอบเหล่านี้ เช่น โครเมียม ...
ดูเพิ่มเติมภาพรวม — "น้ำหนักต่อลูกบาศก์นิ้ว" หมายถึงอะไรสำหรับสแตนเลส "น้ำหนักต่อลูกบาศก์นิ้ว" เป็นเพียงมวล (เป็นปอนด์) ของวัสดุหนึ่งลูกบาศก์นิ้ว สำหรับเหล็กสเตนเลส ขึ้นอยู่กับองค์ประกอบและอุณหภูมิของโลหะผ...
ดูเพิ่มเติมเราจะไม่แบ่งปันที่อยู่อีเมลของคุณและคุณ
สามารถยกเลิกได้ตลอดเวลาเราสัญญา